Leseprobe - ISDN und DSL für PC und Telefon, Kapitel 10

10 Installationen am ISDN-Anschluss
10.1 Plug&Play-Installationen
10.2 ISDN-Anschlussdosen
10.3 Installation eines S0-Busses
10.4 Installation einer S0-Sternverteilung
10.5 Testen des S0-Busses
10.6 ISDN-Installationstechnik in einer Übersicht
In vielen Fällen wird man mit den beiden S0 Anschlussbuchsen am NTBA auskommen. So könnte man z.B. ein ISDN-Telefon und eine ISDN-PC Karte am NTBA anschließen oder eine ISDN-Telefonanlage und eine ISDN-PC Karte. Bei mehr als zwei Geräten benötigt man weitere S0 Schnittstellen. In diesem Kapitel wird gezeigt, wie diese installiert werden.

10.1 Plug&Play-Installationen
Wenn Ihre ISDN-Geräte räumlich nicht weit voneinander entfernt stehen, können Sie einfach eine ISDN-Verteilerdose (sie wird auch ISDN-Steckdosenleiste genannt) verwenden. Diese wird mit einer (meist 10 Meter langen) Anschlussleitung in eine S0 Anschlussbuchse des NTBAs gesteckt. An der Verteilerdose können dann bis zu sechs ISDN-Geräte angeschlossen werden (siehe Abbildung 10.1).
Alternativ zu der in Abbildung 10.1 gezeigten Verteilerdose gibt es auch Adapter mit der gleichen Funktion. Solche Adapter besitzen einen Western-Stecker auf der einen Seite und mehrere Western-Buchsen auf der anderen Seite. Ich habe solche Adapter schon mit zwei, mit vier und mit sieben Western-Buchsen gesehen.
Hinweis zu den S0-Schnittstellen
Mit den ISDN-Telefonen, die an den S0 Schnittstellen angeschlossen sind, ist ohne Zusatzgerät (z.B. Tk-Anlage) keine kostenlose interne Kommunikation möglich. Man kann zwar von einem ISDN-Telefon das andere anrufen, aber nur über die Vermittlungsstelle und das kostet Geld. Die S0 Schnittstellen sind nicht für interne Gespräche vorgesehen.
Falls Sie ISDN-Anschlüsse in mehreren Räumen benötigen, sollten Sie einen S0 Bus installieren. Wir werden in Kapitel 14 noch sehen, dass man einen S0 Bus auch nach einer ISDN-Tk Anlage installieren kann. Man redet in dem Fall von einem internen S0 Bus, auf dem dann auch kostenlose interne Gespräche möglich sind. In diesem Kapitel werden aber zunächst die Installationen ohne Tk Anlage gezeigt.
Bevor die eigentlichen Installationstechniken für einen S0 Bus beschrieben werden können, ist es nötig, die internen Beschaltungen von ISDN-Anschlussdosen zu erläutern.

10.2 ISDN-Anschlussdosen
Zum Anschluss von ISDN-Geräten können IAE-Dosen und/oder UAE-Dosen verwendet werden.
10.2.1 IAE-Dosen
IAE steht für ISDN-Anschlusseinheit. IAE-Dosen gibt es mit einer oder mit zwei 8-poligen Western-Anschlussbuchsen und je als Aufputz- und als Unterputzausführung (siehe Abbildung 10.2).

Einige Dosen haben die Western-Buchsen vorne, andere unten. Die interne Beschaltung ist jedoch bei allen Typen gleich. In Abbildung 10..3 wird die interne Beschaltung einer IAE-Dose mit einer Anschlussbuchse gezeigt.

Die 8 in der Bezeichnung der Dose steht für die Anzahl der Kontakte des Western-Steckers, die Zahl in der Klammer gibt Auskunft darüber, wie viele Kontakte tatsächlich belegt sind.
Die vier Anschlussklemmen einer IAE-Dose haben die Bezeichnung 1a, 1b sowie 2a und 2b. Am NTBA heißen die S0 Anschlussklemmen a1, b1 und a2, b2. Ziffern und Buchstaben sind also einfach vertauscht. Man kann erahnen, dass eine Installation relativ unproblematisch ist; 1a wird mit a1 verbunden, 1b mit b1 usw.
Die Nummerierung eines 8-poligen Western-Steckers wird auf der Kontaktseite von links nach rechts angegeben (siehe Abbildung 10.3 rechts). Beim Einstecken des Western-Steckers in die IAE-Dose zeigen die Kontakte des Steckers nach unten. Damit nun die Nummerierung der Kontakte am Stecker mit der Nummerierung an der IAE-Dose übereinstimmt, werden die Zahlen an den Klemmen der Buchsen von rechts nach links angegeben.
Bei IAE-Dosen mit zwei Anschlussbuchsen sind diese einfach parallel geschaltet (siehe Abbildung 10.4).

10.2.2 UAE-Dosen (RJ-45-Dosen)
UAE steht für Universalanschlusseinheit. Universal bedeutet in diesem Zusammenhang, dass die Dose vielseitig eingesetzt werden kann. Sie dient zum Anschluss von ISDN-Endgeräten, wird aber auch bei der Vernetzung von Rechnern eingesetzt. Mit entsprechenden Anpassungselementen, die in die Buchsen eingeschoben werden, kann die UAE-Dose auch zum Anschluss von analogen Endgeräten verwendet werden.
Die innere Beschaltung einer UAE-Dose ist einfach geradeaus, also Klemme 1 der Anschlussleiste ist mit Klemme 1 der Buchse verbunden, Klemme 2 der Anschlussleiste ist mit Klemme 2 der Buchse verbunden usw. In Abbildung 10.5 wird die interne Beschaltung einer UAE-Dose mit einer Anschlussbuchse gezeigt.

Die Klemme mit der Bezeichnung S wird für die Abschirmung (S für Schirmung) von Installationsleitungen verwendet. Abgeschirmte Leitungen werden häufig bei der Vernetzung von Rechnern eingesetzt. Dabei dient die Abschirmung zum Schutz vor elektromagnetischen Störungen, die eventuell zu Übertragungsfehlern führen könnten.
Die 8 in der Bezeichnung der Dose steht, wie bei den IAE-Dosen, für die Anzahl der Kontakte des Western-Steckers, die Zahl in der Klammer gibt Auskunft darüber, wie viele Kontakte belegt sind. Die Nummerierung der Kontakte wird aus dem zuvor genannten Grund auch hier von rechts nach links angegeben.
Bei UAE-Dosen mit zwei Anschlussbuchsen sind diese einfach parallel geschaltet (siehe Abbildung 10.6).

Für den ISDN-Anschluss werden vier der acht Kontakte einer UAE-Dose benötigt, und zwar die mittleren, also die Klemmen 3 bis 6. Aus der Beschaltung für IAE-Dosen (siehe Abbildung 10.3) geht hervor, dass 2a an Klemme 3 liegen muss, 1a an Klemme 4, 1b an Klemme 5 und 2b an Klemme 6.
Bei manchen UAE-Dosen stehen die Bezeichnungen 1a, 1b, 2a und 2b an der Anschlussleiste mit dran (siehe Abbildung 10.7 links). Manchmal findet man auch Dosen vor, die die Bezeichnung IAE tragen und letztendlich UAE-Dosen sind. Der Unterschied besteht lediglich darin, dass die Klemmenbezeichnung nicht, wie bei UAE-Dosen üblich, von eins bis acht durchnummeriert ist, sondern an den Klemmen 3 bis 6 stehen die S0 Bus Bezeichnungen 2a, 1a, 1b, 2b. Ich habe auch schon UAE-Dosen gesehen, bei denen nur die mittleren vier Kontakte belegt sind. Diese sind dann, im Gegensatz zur IAE-Dose, mit den Ziffern 3 bis 6 gekennzeichnet (siehe Abbildung 10.7 rechts).
10.3 Installation eines S0-Busses
Bei der Installation eines S0 Busses müssen einige Dinge beachtet werden. Es müssen die richtigen Leitungen verwendet werden, der Bus muss abgeschlossen sein usw. Schauen wir uns zunächst das Prinzip der Installation an. Anschließend beschreibe ich die Regeln zur Verwendung der Leitungen und erläutere die Bedeutung der einzelnen Komponenten.

10.3.1 Prinzip der Businstallation
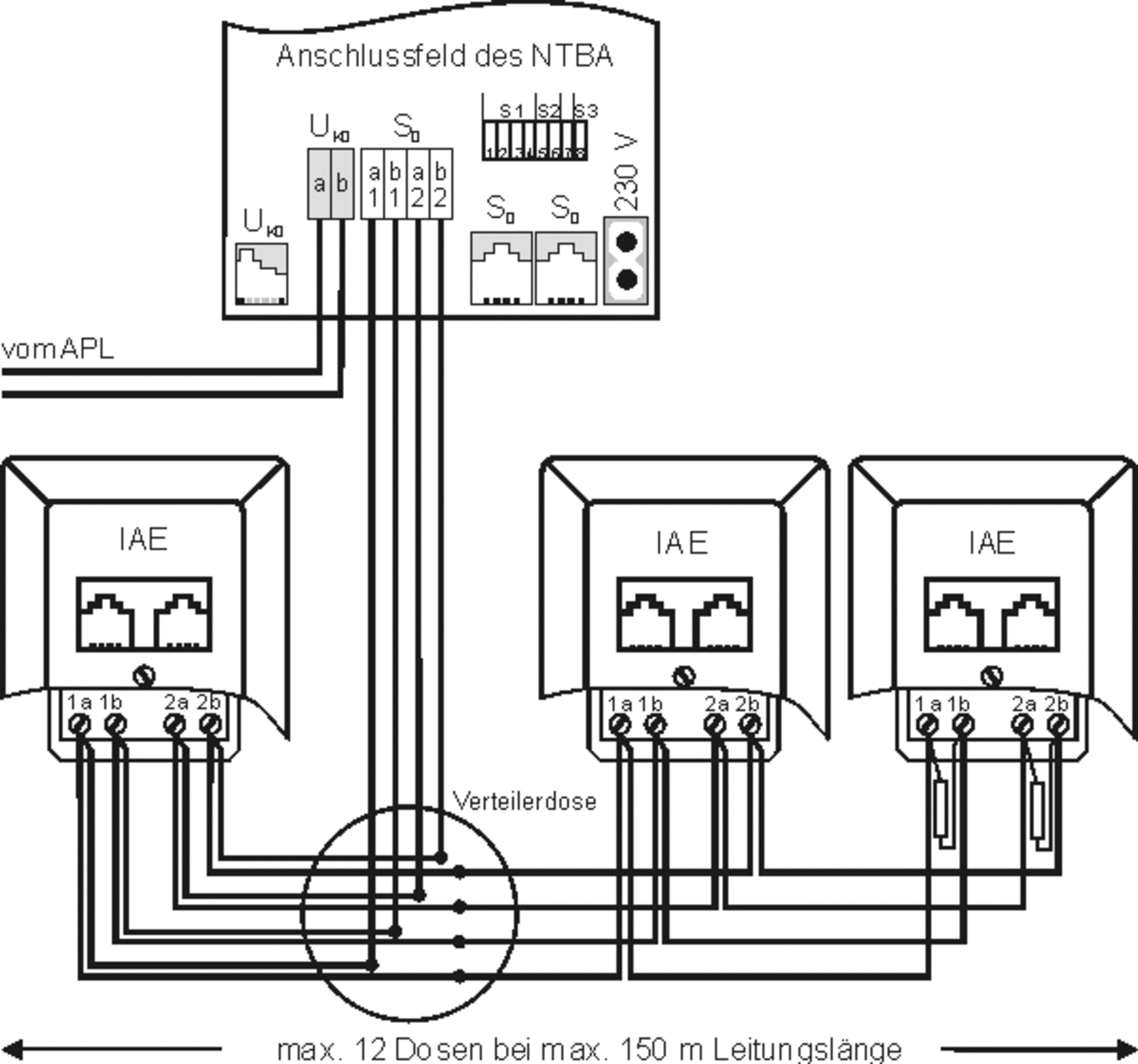
In Abbildung 10.8 ist dargestellt, wie eine oder mehrerer IAE-Dose(n) an einem NTBA angeschlossen werden. Dabei sind die Dosen stets in Reihe zu schalten. Vom NTBA verläuft also eine 4-adrige Leitung zur ersten IAE-Dose, von dort zur zweiten usw. Auf keinen Fall dürfen bei einer Businstallation die Anschlussdosen sternförmig verdrahtet werden.
In die letzte Dose müssen Abschlusswiderstände eingebaut werden. Auf die Bedeutung und die Installation der Abschlusswiderstände werde ich in Abschnitt 10.3.3 noch näher eingehen.

Falls es aus irgendwelchen Gründen nicht möglich sein sollte, die Anschlussklemmen im NTBA zu verwenden, kann auch eine ISDN-Geräteanschlussleitung benutzt werden, um die erste Anschlussdose des S0 Busses mit dem NTBA zu verbinden (siehe Abbildung 10.9). Dabei darf die Anschlussleitung aber nur in die erste Dose eingesteckt werden. Andernfalls führt dies zu einer Verzweigung auf dem S0 Bus und das darf nicht sein.
Die gezeigte Installation (siehe Abbildung 10.9) soll auch verdeutlichen, dass (und wie) IAE-Dosen und UAE-Dosen an einem S0 Bus verwendet werden können.

10.3.2 Für jedes Signal die richtige Ader
Die Kommunikation über den S0-Bus funktioniert mit Sendern und Empfängern, die in jedem ISDN-Endgerät und im NTBA eingebaut sind. Der NTBA sendet über die Anschlüsse a1 und b1 und empfängt über a2 und b2 (siehe Kapitel 9). Eine Verwechslung der Anschlussleitungen führt also zwangsläufig dazu, dass die Kommunikation auf dem Bus nicht funktionieren kann.
Wie in Kapitel 4 bereits beschrieben, sind bei einer Telefonleitung jeweils zwei Adern miteinander verdrillt (verseilt). Bei der Installation eines S0 Busses sind für die Sende- und die Empfangsrichtung jeweils die zusammengehörenden Adern zu verwenden. Andernfalls kann sich dies negativ auf die Funktionalität des S0 Busses auswirken. In Tabelle 10.1 ist dargestellt, welche Adern einer 4-adrigen Telefonleitung für welche Klemmen bestimmt sind.
NTBA | IAE | UAE | Telekom-Leitung | J Y(St)Y-Leitung | Siemens-Leitung |
|---|---|---|---|---|---|
a1 | 1a | 4 | ohne Ring | rot | rot |
b1 | 1b | 5 | ein Ring | blau | schwarz |
a2 | 2a | 3 | zwei Ringe weit | weiß (bei gelb) | weiß |
b2 | 2b | 6 | zwei Ringe eng | gelb | gelb |
Tabelle 10.1: Adernkodierungen bei der Installation eines S0-Busses
Für eine 4-adrige Telekom-Leitung möchte ich dies am Beispiel einer IAE-Dose zusätzlich in einer Grafik zeigen (siehe Abbildung 10.10).
Sollte Ihre Telefonleitung aus irgendwelchen Gründen andere Farben haben als in Tabelle 10.1, achten Sie darauf, dass die Adern a1 und b1 und die Adern a2 und b2 jeweils miteinander verdrillt sind.

10.3.3 Abschluss des S0-Busses
Der S0 Bus muss mit je einem 100 Ω-Widerstand zwischen den Sendeleitungen und auch zwischen den Empfangsleitungen abgeschlossen werden. Da ich hier nicht auf die doch etwas komplexere Leitungstheorie eingehen will, muss ich etwas weiter ausholen, um die Funktion dieser Widerstände zu erklären. (Ingenieure und Physiker, eben alle, die mit der Leitungstheorie vertraut sind, mögen mir den nun folgenden Vergleich verzeihen.)
Wir stellen uns ein langes Rohr vor, welches auf einer Seite offen ist und auf der anderen Seite geschlossen. Das Rohr wird benutzt, um Schallwellen durchzuleiten. Etwa in der Mitte des Rohres ist ein Loch an dem man lauschen kann (siehe Abbildung 10.11).

An der offenen Seite des Rohres wird ein kurzer Schallimpuls erzeugt, z.B. schlägt man mit einem Hammer auf einen Ambos. Die Schallwelle wird durch das Rohr geleitet und irgendwann an dem „Lauschloch“ ankommen. Man hört also den Schlag. Die Schallwelle wird durch das Rohr aber auch weitergeleitet. Am geschlossenen Ende des Rohres wird die Schallwelle reflektiert und ist am „Lauschloch“ eine kurze Zeit später erneut zu hören. Man hört das gleiche Signal also zweimal.
Wenn man nun am geschlossenen Ende des Rohres Schaumstoff anbringt, wird die Schallwelle dort vom Schaumstoff absorbiert und nicht mehr reflektiert. Am „Lauschloch“ hört man dann nur einmal den Knall des Hammerschlags.
Übertragen wir dieses Beispiel einmal auf ein elektrisches Signal auf einer Leitung. Die Verhältnisse sind hier ähnlich. Das Signal wird am Ende der Leitung auch reflektiert. Dies führt dazu, dass bei einem Empfänger (Analogie zum Ohr) irgendwo an der Leitung das elektrische Signal eines Senders ebenfalls zweimal (oder noch öfter) ankommt. Anstelle des Schaumstoffes bringt man an einer elektrischen Leitung einen Widerstand an. Zum Verständnis könnte man sagen, dass dieser Widerstand die elektrische Signalwelle in einer Leitung ebenso absorbiert, wie es der Schaumstoff bei Schallwellen im Rohr tut. (Genauer betrachtet ist es etwas anders, aber ich will ja bewusst nicht auf die Theorie der Nachrichtenübertragung eingehen.)
Wenn an einer elektrischen Leitung am Ende ein solcher Widerstand angebracht ist, sagt man, die Leitung ist abgeschlossen. Dabei muss die Leitung an beiden Enden abgeschlossen sein, es müssen also am Anfang und am Ende der Leitung solche Widerstände angebracht werden. Oft ist dies am Anfang der Leitung hinfällig, weil die Leitung dort fest mit einem Gerät verbunden ist, in dem diese Widerstände bereits integriert sind. Wie in Kapitel 9 bereits erwähnt, wird für einen Abschlusswiderstand im Englischen die Bezeichnung Termination Resistor (TR) verwendet. Manchmal werden die Abschlusswiderstände auch einfach Terminatoren genannt.
Ein S0 Bus ist dann abgeschlossen (terminiert), wenn in jeweils der letzten Anschlussdose solche Widerstände eingebaut sind. Der Wert der Widerstände (beim S0 Bus 100 Ω) muss dabei dem so genannten Wellenwiderstand der Leitung entsprechen. Auf die Bedeutung des Wellenwiderstands will ich in diesem Buch jedoch nicht näher eingehen.
Wenn eine Leitung, die zur Signalübertragung verwendet wird, nicht abgeschlossen ist, kommt es auf der Leitung zu Reflexionen. Sie haben die Auswirkungen solcher Reflexion vielleicht schon einmal gesehen, und zwar im Fernseher. Auch bei Kabelfernsehanlagen oder Antennenanlagen muss die Leitung mit einem Widerstand (ebenfalls in der letzten Dose) abgeschlossen werden. Bei Antennenleitungen wird ein 75 Ω-Widerstand benutzt. Wenn dieser Widerstand in der letzten TV-Anschlussdose fehlt, kann es vorkommen, dass man auf einem bestimmten Programm (oder bei mehreren Programmen) Störungen in Form von Schatten o. Ä. im Bild hat. Meistens sieht man das Bild doppelt (ursprüngliches Signal und am Ende der Leitung reflektiertes Signal).
Wie sich solche Störungen auswirken, kann man schlecht vorhersagen. Es kann sein, dass alles funktioniert, es kann aber auch sein, dass es zu relativ schwerwiegenden Funktionsstörungen kommt. Beim S0 Bus können diese Reflexionen die Funktionalität der ISDN-Anlage beeinträchtigen. Es kann sein, dass die Anlage überhaupt nicht funktioniert, wenn keine Abschlusswiderstände eingebaut sind. Fazit: Bauen Sie bei der Installation von ISDN-Anschlussdosen (und auch von Antennendosen) Widerstände in der jeweils letzten Dose einer Reihe ein.
Zum Abschluss des S0 Busses gibt es spezielle Widerstände in vorgefertigten Plastikmänteln (siehe Abbildung 10.12), die eigens für IAE- und UAE-Dosen konzipiert wurden. Diese sollten Sie im T Punkt bekommen können. In dem Mantel befindet sich jedoch ein ganz normaler 100 ΩWiderstand1, wie man ihn in jedem Elektronikgeschäft kaufen kann. Es ist also nicht nötig, spezielle Widerstände zu verwenden.

Wie bereits erwähnt, werden die Abschlusswiderstände an den Klemmen 1a und 1b sowie an den Klemmen 2a und 2b einer IAE-Dose angeschlossen. In Abbildung 10.13 ist ansatzweise auch die Verdrillung der Adernpaare zu erkennen.

Wenn Sie bei der Installation eines S0-Busses UAE-Dosen verwenden, gelten für die Terminierung ebenfalls die zuvor genannten Regeln. Der Unterschied liegt nur darin, dass die Klemmen von UAE-Dosen anders beschriftet sind als bei IAE-Dosen. Bei manchen UAE-Dosen stehen die Bezeichnungen 1a, 1b, 2a und 2b an der Anschlussleiste dran. Für den Fall, dass dies bei Ihrer UAE-Dose nicht so ist, habe ich Abbildung 10.14 erstellt.

Die Abschlusswiderstände werden bei UAE-Dosen an den Klemmen 4 und 5 sowie an den Klemmen 3 und 6 angeschlossen.
An UAE-Dosen lassen sich die Widerstände sehr viel schwieriger befestigen als an IAE-Dosen. Aus diesem Grund, und auch weil die Anschlussbezeichnungen bei IAE anschaulicher sind als bei UAE, bevorzuge ich für die Installation IAE-Dosen.
Anstatt die in Abbildung 10.13 gezeigten Abschlusswiderstände an den Schraubklemmen anzuschließen, können Sie sich (z.B. im T Punkt) ein Western-Steckmodul mit zwei integrierten Abschlusswiderständen kaufen, das Sie einfach in die letzte IAE- oder UAE-Dose einstecken. Natürlich beinhaltet das Modul auch nichts anderes als zwei 100 Ω-Widerstände, die zwischen 1a und 1b und zwischen 2a und 2b geschaltet sind. Dies ist auch aus der Grafik zu erkennen, die auf das Modul aufgedruckt ist (siehe Abbildung 10.15).

Das Steckmodul besitzt auf der Unterseite eine Western-Buchse zum Anschluss eines ISDN-Geräts. Bei Verwendung eines solchen Steckmoduls geht Ihnen also keine ISDN-Anschlussbuchse verloren.
Auch erhältlich sind Anschlussdosen, bei denen bereits Abschlusswiderstände eingebaut sind. Je nach Ausführung sind diese abschaltbar oder auch nicht. Falls die Widerstände nicht abschaltbar sind, darf eine solche Dose nur am Ende des S0 Busses verwendet werden. Wenn in jeder Dose Abschlusswiederstände eingebaut wären, würde dies zu einer höheren Dämpfung der Signalpegel führen. Je nach Anzahl der Anschlussdosen könnte die Kommunikation über den S0 Bus dabei ganz ausfallen.

10.3.4 Installationsvarianten für einen S0-Bus
Auf einem S0 Bus werden digitale Signale übertragen. Da dies aus technischen Gründen nicht über eine beliebig große Distanz geschehen kann, ist die Länge des S0 Busses begrenzt. Die maximale Buslänge ist von der Art der Verbindung und von anderen Parametern – wie z.B. der Qualität der Leitung – abhängig. Die im Folgenden angegebenen Maße sind Mittelwerte; es kann sein, dass sie von Angaben in anderen Büchern leicht abweichen. Genauere Längenangaben zum S0 Bus sind am Ende dieses Abschnitts 10.3.4 zusammengefasst.
Punkt-zu-Mehrpunkt-Verbindung
Die häufigste Installationsvariante bei kleinen ISDN-Anlagen ist die Punkt-zu-Mehrpunkt-Verbindung mit einen kurzen passiven Bus. Für den privaten Gebrauch wird man sich in der Regel für diese Anschlussart entscheiden, die beim NTBA auch voreingestellt ist (siehe Abbildung 9.5). Die meisten ISDN-Kunden, die ihren NTBA selbst installiert haben, haben sich um diese Einstellung wahrscheinlich überhaupt nicht gekümmert. Sie haben den NTBA angeschlossen und es hat funktioniert. Nur wenn man sich für eine andere Variante als die Punkt-zu-Mehrpunkt-Verbindung entscheidet, sind eventuell Einstellungen am NTBA nötig.
Die maximale Buslänge darf hier 150 Meter nicht überschreiten. Zwölf IAE-Dosen und/oder UAE-Dosen können in beliebigen Abständen auf diesen 150 Metern verteilt werden, wobei maximal acht Endgeräte (davon max. vier ohne eigene Energieversorgung) gleichzeitig am Bus angeschlossen sein dürfen. Die Anschlussleitungen für die Endgeräte dürfen nicht länger als zehn Meter sein. Dies gilt übrigens für alle Installationsvarianten.
Prinzipiell kann man sich bei der Punkt-zu-Mehrpunkt-Verbindung zwei Möglichkeiten der Installation vorstellen:
- NTBA am Anfang des S0-Busses
- NTBA in der Mitte des S0-Busses
Im ersten Fall liegen alle Anschlussdosen, vom NTBA aus betrachtet, in einer Reihe hintereinander. In der letzten Dose werden Abschlusswiderstände angeschlossen (siehe Abbildung 10.17).

Liegt der NTBA in der Mitte des S0 Busses (siehe Abbildung 10.18), gibt es zwei „Endpunkte“ und somit müssen an zwei Dosen Abschlusswiderstände angebracht werden. Wie die maximal zwölf Dosen auf den maximal 150 Metern Buslänge verteilt sind, ist auch hier beliebig. Wichtig ist nur, dass je am Ende eines Zweiges Widerstände eingebaut werden.

Obwohl die Installationsvariante nach Abbildung 10.18 in der Fachliteratur häufig beschrieben wird, rate ich davon ab. Mal davon abgesehen, dass es aus theoretischer Sicht dem Prinzip einer Businstallation widerspricht, sprechen wirklich schwerwiegende Gründe gegen diese Installationsvariante. Leser meiner bisher erschienenen Bücher haben mir berichtet, dass es bei dieser Art der Busverkabelung Probleme gab. Unabhängig voneinander haben mehrere Leser mir geschrieben, dass der S0 Bus so nicht funktioniert hat. Dabei hat sich herausgestellt, dass jeder Zweig für sich alleine funktionierte. Eine fehlerhafte Verdrahtung kann somit ausgeschlossen werden. Sobald beide Zweige angeschlossen wurden, ist der S0 Bus „zusammengebrochen“. Bei anderen Lesern wiederum gab es keine Probleme. Die Variante NTBA in der Mitte des Busses scheint also eine eher kritische Methode zu sein, die manchmal funktioniert und manchmal nicht. Wahrscheinlich ist es von den verwendeten Leitungen und von der Länge der einzelnen Zweige abhängig.
Architektonische Gründe könnten dafür sprechen, den NTBA in der Mitte des S0 Busses anzuschließen. Wenn es sich vermeiden lässt, würde ich mich jedoch nicht für diese Variante entscheiden. Eine einfache Möglichkeit, die Dosen in Reihe zu schalten, obwohl sie in entgegengesetzte Richtungen montiert sind, wird in Abbildung 10.19 gezeigt. Man verlegt eine 4-adrige Leitung vom NTBA zu einer Verteilerdose. Von dort aus wird dann allerdings eine 8-adrige Leitung für einen Zweig des S0 Busses benötigt. Mit vier Adern wird der S0 Bus wieder zur Verteilerdose zurückgeführt, um von dort aus zum anderen Zweig zu gelangen. Bei dieser Installationsvariante habe ich noch nie von Problemen gehört. Ich selbst habe bei mir zu Hause die Leitungen des S0 Busses auf diese Weise verlegt.

Wenn Telefonleitungen in einer Verteilerdose miteinander verbunden werden, ist es wichtig, die Verluste möglichst gering zu halten. Um dies zu gewährleisten, ist es sinnvoll, die Adern stets neu abzuisolieren und die Enden der Adern über ca. 2 cm miteinander zu verdrillen. Dies ist in Bezug auf die Verluste besser als Lüsterklemmen zu benutzen. Ich verwende meistens zusätzlich Lüsterklemmen, um die Adern gegeneinander zu isolieren (siehe Abbildung 14.13).
Falls eine Installation nach Abbildung 10.19 nicht möglich ist, weil keine 8-adrigen Leitungen zur Verfügung stehen, können Sie die Variante NTBA in der Mitte des Busses einmal ausprobieren. Wenn dies zu Problemen führt, wäre eine ISDN-Sternverteilung eine mögliche Alternative (siehe Abschnitt 10.4).
Punkt-zu-Punkt-Verbindung
Bei dieser Verbindungsvariante wird nur ein Gerät an den S0 Bus angeschlossen. Es ist also beispielsweise (aber nicht zwingend) eine mögliche Anschlussart für einen Anlagenanschluss.
Die Buslänge kann bis zu 1000 Meter betragen. An der Anschlussdose müssen Abschlusswiderstände angebracht werden. Eine Anwendungsmöglichkeit dieser Verbindungsart könnte z.B. sein, wenn der NTBA im Keller montiert wurde und eine ISDN-Telefonanlage in der zehnten Etage eines Bürogebäudes betrieben wird.

Zur Erinnerung: Falls eine Telefonanlage als einziges Gerät am S0 Bus angeschlossen ist, benötigt der NTBA keine 230 Volt-Energieversorgung.
Eine Sonderform der Variante Punkt-zu-Punkt ist der so genannte erweiterte passive Bus. Hierbei können, weit weg vom NTBA, bis zu acht IAE- oder UAE-Dosen an den S0 Bus angeschlossen werden, jedoch darf die Entfernung von der ersten bis zur letzten Dose nicht größer als ca. 30 Meter sein (siehe Abbildung 10.21). Die Endgeräte stehen hierbei also auf relativ engem Raum konzentriert. Die maximale Buslänge vom NTBA bis zur letzten Anschlussdose darf höchstens ca. 500 Meter betragen. Es können bis zu acht Endgeräte angeschlossen werden, davon maximal vier ohne eigene Energieversorgung. In der letzten Dose der Reihe sind Abschlusswiderstände anzubringen.
Längenangaben zu den Installationsvarianten
Wie bereits erwähnt, können die Längenangaben zum S0 Bus in den gezeigten Grafiken von den Werten in anderen Büchern abweichen. Die unterschiedlichen Angaben kommen daher, dass jeder andere Bedingungen für den S0 Bus voraussetzt. Die maximale Länge des S0 Busses hängt neben der Installationsform auch vom Aderndurchmesser und von der Leitungsqualität ab.
Setzen wir einmal voraus, dass eine „normale“ 4-adrige Telefonleitung verlegt wird. (Die Adern dieser Leitung haben einen Durchmesser von 0,6 mm.) Die Längenangaben hängen dann nur noch von der Leitungskapazität2 ab. Diese kann oft nicht pauschal angegeben werden, im Zweifelsfalle müsste man sie nachmessen. Global gilt aber, dass der S0 Bus umso länger sein darf, je kleiner die Kapazität der Leitung ist. Mit steigender Kapazität nimmt nämlich die Bandbreite der Leitung ab. Für die Übertragung der digitalen Signale auf dem S0 Bus ist aber eine große Bandbreite notwendig (siehe Kapitel 2). Eine definitive Längenangabe kann also nur für eine bestimmte Leitungskapazität gemacht werden. In Tabelle 10.2 werden die Längenangaben für die verschiedenen Installationsvarianten angegeben. Die Werte basieren auf der Richtlinie 1TR5.
Leitungskapazität in nF/km | maximale Länge bei Punkt-zu-Mehrpunkt-Verbindung in m | maximale Länge bei Punkt-zu-Punkt-Verbindung in m | maximale Länge bei erweitertem passivem Bus in m | maximale Länge der Installationszone beim erweiterten passiven Bus in m |
|---|---|---|---|---|
30 | 220 | 1100 | 825 | 50 |
40 | 200 | 1000 | 750 | 43 |
50 | 180 | 920 | 690 | 39 |
60 | 165 | 820 | 615 | 35 |
80 | 145 | 730 | 550 | 31 |
100 | 130 | 660 | 495 | 27 |
120 | 120 | 600 | 450 | 25 |
Tabelle 10.2: Länge des S0-Busses in Abhängigkeit der Leitungskapazität

10.4 Installation einer S0-Sternverteilung
Die in Abschnitt 10.3 gezeigte Businstallation kann dann von Nachteil sein, wenn die Leitungen in einem Gebäude bereits sternförmig verlegt sind. Eine Möglichkeit, sternförmig verlegte Leitungen trotzdem für den S0 Bus zu nutzen, wird ansatzweise in Abbildung 10.19 gezeigt. Bei dieser Methode benötigt man aber 8-adrige Leitungen und außerdem wird auf diese Weise relativ schnell die maximale Länge des S0 Busses erreicht.
Seit Juni 2001 sind für den ISDN-Basisanschluss sternförmige Installationen mithilfe von passiven oder aktiven Sternverteilern unter definierten Voraussetzungen (DIN EN 50098) zulässig. Für die sternförmige Installation wird zwingend ein dafür vorgesehenes Gerät benötigt. Man darf die Leitungen also nicht einfach mit Lüsterklemmen verbinden. In Abbildung 10.22 wird ein aktiver Sternverteiler (ISDN-Hub3) von der Firma BTR (www.btr-itconnect.com) gezeigt, den ich etwas genauer vorstellen möchte. Sie finden den ISDN-Hub der Firma BTR zum Beispiel in den Katalogen von ELV Elektronik (www.elv.de) und von Conrad Elektronik (www.conrad.de).

Der ISDN-Hub kann, wie jedes andere ISDN-Gerät, mit einer Geräteanschlussleitung am NTBA oder an einer IAE-Dose angeschlossen werden. Der S0 Bus bleibt dabei voll funktionsfähig. Es ist auch möglich, mehrere ISDN-Hubs am S0 Bus zu betreiben. In Abbildung 10.23 wird eine möglich Installation mit einem ISDN-Hub gezeigt.

Am ISDN-Hub können sternförmig vier IAE- oder UAE-Dosen angeschlossen werden. Dabei sind in jeder Anschlussdose Abschlusswiderstände einzubauen (siehe Abbildung 10.24). Beim ISDN-Hub der Firma BTR dürfen die Leitungen zu den ersten beiden IAE-Dosen der Sternverteilung (in Abbildung 10.24 nicht angeschlossen) insgesamt nicht länger sein als ca. 150 m. Das Gleiche gilt für die Leitungen zu den anderen beiden Anschlussdosen der Sternverteilung.

Der ISDN-Hub kann statt mit einer Geräteanschlussleitung (siehe Abbildung 10.23) auch mittels Klemmeninstallation mit dem S0 Bus verbunden werden (siehe Abbildung 10.24). Für die Klemmeninstallation gelten dabei die gleichen Regeln wie für IAE-Dosen. Von der S0 Klemmleiste werden die Leitungen weitergeführt zum nächsten Hub oder zur nächsten IAE-Dose. Falls der S0 Bus am ISDN-Hub endet, muss der S0 Bus an dieser Stelle abgeschlossen werden. Für diesen Zweck sind im ISDN-Hub bereits Abschlusswiderstände (TR, siehe Abbildung 10.24) eingebaut, die bei Bedarf dazugeschaltet werden können.
Kostenlose Interngespräche sind mit dem ISDN-Hub am „normalen“ S0 Bus nicht möglich. Der ISDN-Hub kann aber auch an einem internen S0 Bus einer Tk Anlage (siehe Kapitel 14) betrieben werden. In diesem Fall kann man auch kostenlos intern telefonieren.
Vielleicht haben Sie ja gar keinen Bedarf intern zu telefonieren; dann ist der ISDN-Hub sicherlich eine preisgünstige Möglichkeit, bereits vorhandene Leitungen für ISDN zu verwenden. Und wenn Sie bei einer solchen Sternverteilung intern kommunizieren wollen und Ihnen eine Tk-Anlage zu teuer ist, verwenden Sie statt des einfachen, kostengünstigen Anschlussverteilers (ISDN-Hub) eine einfache, intelligente Anschlusszentrale (ISDN-MAUSi).
MAUSi ist die Weiterentwicklung des ISDN-Hub und wird ab Herbst 2003 im Handel sein. Ich durfte das Gerät bereits testen. MAUSi (klingt irgendwie niedlich, oder?) steht für Mehrfachanschluss und Systemerweiterung für ISDN.

Die Installation geschieht auf die gleiche Weise wie beim ISDN-Hub (siehe Abbildung 10.23). MAUSi ermöglicht jedoch, am „normalen“ S0 Bus von einem ISDN-Apparat zu einem anderen kostenlos zu telefonieren. In Abbildung 10.26 wird eine typische Installation mit MAUSi gezeigt. Der PC wird direkt am NTBA angeschlossen und die ISDN-Telefone an den IAE-Dosen der Sternverteilung. Wahlweise werden den angeschlossen ISDN-Telefonen Internrufnummern (wie bei Tk-Anlagen) zugewiesen oder Mehrfachrufnummern (MSN) des Netzbetreibers.
An die IAE-Dosen der Sternverteilung können bei Bedarf auch Analog-Adapter angeschlossen werden, z.B. um Faxgeräte am ISDN-Anschluss zu betreiben. MAUSi ist somit eine kostengünstige Alternative zu einer ISDN-Tk Anlage.

10.5 Testen des S0-Busses
Der Bastler ist gewohnt, die Funktion eines Geräts oder einer Installation zu testen. Die Funktion des S0 Busses kann jedoch nur mit speziellen Geräten (z.B. mit Protokollanalysatoren) überprüft werden. Solche Geräte sind teuer und auch nicht einfach zu bedienen. Wenn man jedoch nur überprüfen möchte, ob man bei der Installation alle Adern richtig angeschlossen hat, braucht man keine teuren Geräte. Statt die Funktion des S0 Busses zu überprüfen, misst man einfach die Potenziale der Phantomspannung (siehe Abschnitt 9.6). Wenn diese nicht korrekt sind, ist die Installation auf jeden Fall fehlerhaft. Leider kann man den umgekehrten Schluss nicht ziehen. Eine Vertauschung der Adern innerhalb eines Adernpaares kann damit nicht festgestellt werden. Hierauf werde ich später nochmals genauer eingehen.
Die Phantomspannung kann mit einem normalen Spannungsmessgerät (Voltmeter) im Gleichspannungsbereich gemessen werden. Wie aus Abbildung 9.10 zu erkennen ist, liegt bei Normalbetrieb (230 V-Netzstecker des NTBAs ist eingesteckt) das negative Potenzial der Phantomspannung auf den Adern 1a und 1b; das positive Potenzial liegt somit auf den Adern 2a und 2b. Im Notbetrieb (230 V-Netzstecker des NTBAs ist nicht eingesteckt) ist die Polarität der Phantomspannung gerade umgekehrt.
In Abbildung 10.27 rechts ist dargestellt, welche Spannungen man bei Normalbetrieb des NTBAs zu erwarten hat. Die Spannungspfeile zeigen dabei stets vom positiven zum negativen Potenzial.

Falls Sie öfter einen S0 Bus überprüfen müssen, können Sie sich nach dem Plan in Abbildung 10.27 eine kleine Schaltung zum Testen der Phantomspannung selbst bauen. Meine Version der Schaltung ist in Abbildung 10.28 dargestellt. Sie besitzt einen Western-Stecker und kann in jede ISDN-Anschlussdose eingesteckt werden.
Die Schaltung besteht lediglich aus vier Leuchtdioden und vier Widerständen (siehe auch Abbildung 10.27). Bei den Leuchtdioden handelt es sich um Duo-LEDs mit zwei Anschlussbeinchen. Je nach Flussrichtung des Stroms leuchten diese Duo-LEDs rot oder grün.
Sind alle Adern korrekt angeschlossen, leuchten bei Normalbetrieb alle LEDs grün und bei Notbetrieb rot. Falls eine LED nicht leuchtet, ist die entsprechende Ader unterbrochen oder nicht angeschlossen. Falls die LEDs unterschiedlich leuchten, sind Adern vertauscht. In Tabelle 10.3 wird an ein paar Beispielen gezeigt, wie die Anzeige der Schaltung zu interpretieren ist.
2b 1b 1a 2a | Bedeutung (G = grün, R = rot, O = aus) |
|---|---|
G G G G | alles richtig angeschlossen |
G O G G | Ader 1b nicht angeschlossen |
G O G O | Adern 1b und 2a nicht angeschlossen |
R G R G | Adern 2b und 1a vertauscht |
R R R R | NTBA im Notbetrieb oder alle Adern vertauscht |
O O O O | keine oder nur eine DA angeschlossen oder Kurzschluss zwischen DA1 und DA2 |
Tabelle 10.3: Bedeutung der Anzeige bei der Testschaltung
Für Bastler noch ein paar technische (und rechtliche) Hintergründe zur Schaltung:
Bei der Dimensionierung der Widerstände wurde berücksichtigt, dass die Schaltung auch im Notbetrieb funktionieren soll. In Kapitel 9 wurde erwähnt, dass ein notbetriebsberechtigtes Telefon nicht mehr als 450 mW Leistung aufnehmen darf. Dies entspricht bei 40 V Spannung einem Strom von ca. 11,2 mA.
Für einen Pfad der Schaltung, z.B. von Klemme 2a nach Klemme 1a (siehe Abbildung 10.27), fließt der Strom durch zwei Duo-LEDs und durch zwei Widerstände. Da es zwei gleiche Pfade gibt, darf durch einen Pfad nur die Hälfte des maximalen Stroms fließen, also ca. 5,6 mA. Wenn wir davon ausgehen, dass an jeder Duo-LED ein Spannung von ca. 2 V abfällt, müssen an jedem Widerstand ca. 18 V abfallen. Daraus lässt sich berechnen, dass jeder Widerstand einen Wert von 3,3 kΩ haben muss.
Die Duo-LEDs, die ich verwendet habe (von Conrad Elektronik), leuchten rot, wenn das längere Anschlussbeinchen auf positivem Potenzial und das kürzere auf negativem Potenzial liegt (siehe Abbildung 10.27).
Die in Abbildung 10.27 gezeigte Schaltung gibt es von der Firma BTR fertig zusammengebaut in Form eines Steckmoduls (ähnlich wie das Steckmodul mit Abschlusswiderständen, siehe Abbildung 10.15) im Fachhandel zu kaufen. Die Firma BTR (www.btr-itconnect.com) besitzt übrigens auch die Rechte auf diese Schaltung. Ein Nachbau zu kommerziellen Zwecken ist somit strafbar!
Mit der einfachen Testschaltung aus Abbildung 10.27 kann nicht festgestellt werden, ob die Adern innerhalb eines Adernpaares (einer Doppelader) vertauscht wurden. Und hierbei reden wir von einem wirklich gemeinen Fehler. Wenn die Adern 1a und 1b vertauscht wurden, hat dies keinerlei Einfluss auf die Funktionalität des Busses. Werden aber die Adern 2a und 2b vertauscht, funktioniert die Anlage problemlos, wenn nur ein Endgerät am S0 Bus angeschlossen ist. Sobald ein zweites Gerät am S0 Bus angeschlossen wird, kann es sein, dass nichts mehr funktioniert.
Wenn der S0-Bus nur mit einem Gerät funktioniert
Falls der S0-Bus mit einem angeschlossenen Endgerät funktioniert und mit zwei oder mehr angeschlossenen Endgeräten nicht mehr, sind mit hoher Wahrscheinlichkeit die Adern 2a und 2b bei der Installation vertauscht worden.
Ich möchte nochmals betonen, dass bei einer Vertauschung von Adern eines Adernpaares die einfache Testschaltung viermal Grün anzeigt. Was die Testschaltung eventuell auch nicht erkennen kann, ist eine Unterbrechung einer Ader, wenn Abschlusswiderstände in der letzten Dose des Busses eingebaut sind. Mit anderen Worten: Wird die Testschaltung nach der Unterbrechung einer Ader eingesteckt, kann es sein, dass trotz der Unterbrechung alle LEDs Grün anzeigen, weil auf der unterbrochenen Ader das Potenzial über einen Abschlusswiderstand eingespeist wird. Um einen solchen Fehler zu finden, müssen Sie während der Testphase die Abschlusswiderstände ausbauen.
Aufgrund der Tatsache, dass die einfache Testschaltung die erwähnten Fehler (Adernvertauschung innerhalb eines Adernpaares und Adernunterbrechung bei eingebauten Abschlusswiderständen) nicht erkennt, wurde von der Firma BTR eine neue Testschaltung entwickelt. Diese wird voraussichtlich bis Ende 2003 auf dem Markt sein und die erwähnten Installationsfehler erkennen können.
Hinweis für den Fall eines Kurzschlusses
Wenn es aus irgendwelchen Gründen zu einem Kurzschluss zwischen den Doppeladern kommt, wird die Phantomspannung mittels einer Schutzschaltung abgeschaltet. Ziehen Sie in diesem Fall den 230 V-Netzstecker des NTBA (bei internem S0 Bus den Netzstecker der Tk Anlage) aus der Steckdose und beseitigen Sie den Kurzschluss. Warten Sie mindestens 10 Sekunden bevor Sie den Stecker wieder einstecken. Der Überlastschutz wird dadurch zurückgesetzt und die Phantomspannung sollte wieder zur Verfügung stehen.
Und noch eine Anmerkung: Nachdem ein Kurzschluss zwischen den Doppeladern beseitigt wurde, kann es sein, dass der S0 Bus wieder funktioniert, obwohl der Überlastschutz für die Phantomspannung noch nicht zurückgesetzt wurde. Am S0 Bus angeschlossene Geräte, die die Phantomspannung nicht benötigen (z.B. Telefone mit eigener Spannungsversorgung), funktionieren bereits wieder. Weil ein Telefon ohne eigene Energieversorgung dann nicht funktioniert, könnte man dem Trugschluss unterliegen, das Telefon sei kaputt. Dieses wird aber in der Regel wieder funktionieren, nachdem Sie den Netzstecker des NTBAs (der Tk Anlage) rausgezogen und wieder hineingesteckt haben.
10.6 ISDN-Installationstechnik in einer Übersicht
Für Handwerker und diejenigen, die es noch werden wollen, habe ich in Abbildung 10.29 die wichtigsten Grafiken zur ISDN-Installationstechnik nochmals zusammengestellt. Wenn Sie sich Abbildung 10.29 kopieren, haben Sie auf einem Blatt alle Informationen, die Sie für eine ISDN-Installation vor Ort benötigen. Gute Idee, oder? J
Tipp des Autors
Ich rate Ihnen dringend dazu, alle Installationen zu dokumentieren. Wenn Sie die Anlage irgendwann verändern oder erweitern wollen, erspart Ihnen ein Plan oder eine kleine Zeichnung ein Menge Aufwand.
1 Die Telekom benutzt 100 Ω-Widerstände, die eine Toleranz von einem Prozent haben. Die Farbkodierung eines solchen Widerstands ist braun, schwarz, schwarz, schwarz, braun (siehe Abbildung 10.12). Ein Widerstand mit einer Toleranz von 5% tut es aber auch.
2 Das Wort Kapazität ist hier im elektrotechnischen Sinne zu verstehen, gemeint sind die kapazitiven Eigenschaften einer Leitung, die in nF/km angegeben werden. Ich erwähne dies, weil die Bezeichnung „Leitungskapazität“ auch im Zusammenhang mit der maximal möglichen Datenübertragungsgeschwindigkeit über eine Leitung verwendet wird. Dies hat zwar entfernt etwas miteinander zu tun, aber es kann auch zu Verwirrungen führen, weil bei zunehmender Leitungskapazität (also mehr nF/km) die maximal mögliche Übertragungsgeschwindigkeit über die Leitung geringer wird.
3 Hub (engl. für Nabe) ist die Bezeichnung für ein Gerät in der Computertechnik, welches mehrere Segmente eines Netzwerks miteinander verbindet.

Dr.-Ing. Hubert Zitt
FacultiesInformatik und Mikrosystemtechnik
Consultationsnach Vereinbarung
CampusRoomH244
